>
phone
info@finulent.com
phone
+1 860 880 1115
US UK
logo
US UK

Renewables

Solar Permit Services

Permit-Ready, Structurally Verified, and Code-Compliant Solar Design Packages

BESS Solutions

At Finulent, we streamline the complex solar permit acquisition process with professionally engineered, code-compliant, and AHJ-approved documents. Whether your project requires a residential or commercial solar permit, our experts ensure full NEC compliance, IEEE 1547 and alignment with local AHJ requirements.

5M+

Proposal Drawings Delivered

200K+

Permit Packages Completed

500+

PV Design Engineers

Up to 70%

Lower Costs

Permit Types Supported

Slide 1 Slide 2 Slide 3 Slide 4 Slide 5 Slide 6
Building Permit – Confirms structural load-bearing and construction safety.
Electrical Permit – Compliance with wiring, grounding, and requirements for permit to install solar panels according to the NEC codes.
Zoning Permit – Guarantees compliance with local land-use laws, including city and HOA codes.

Residential Solar Permit Services

We provide residential solar installation permit documents specific to AHJ permit requirements, utility regulations, and Homeowners Associations (HOA) guidelines.

Plot Plan and Array Layout
Structural Layout and Elevation Diagrams
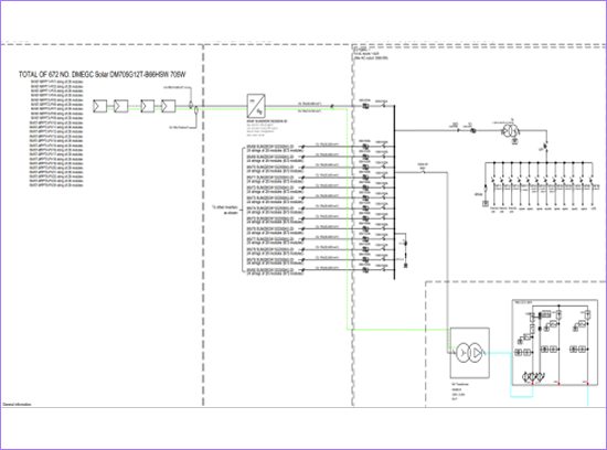
NEC Compliant Electrical Drawings
  • Single-Line Diagram (SLD)
  • Three-Line Diagram
Technical Equipment Spec Sheets
System Labels & Safety Signage
On-Grid and Off-Grid Approved Designs
Slide 1 Slide 2 Slide 3 Slide 4 Slide 5 Slide 6

Commercial Solar Permit Packages

Finulent delivers design solutions to a broad range of industries, including schools, shopping centres, commercial warehouses, apartment complexes, farm agriculture, and wastewater treatment plants.

System Sizing & Production Estimates

Site Plans, Array Layouts & Racking Specifications

PVSyst Reports

Structural Engineering Support
- Dead Load Analysis
- Attachment & Anchoring Details
- Structural Review

Electrical Engineering & Documentation
- Electrical Plans & Equipment Layouts
- Single-Line & 3-Line Diagrams

Electrical Calculations
- Wire Sizing
- Conduit Sizing
- Voltage Drop

Slide 1 Slide 2 Slide 3 Slide 4 Slide 5 Slide 6 Slide 7 Slide 8 Slide 9

Multifamily Solar Design Expertise

We provide tailored solar design solutions for multifamily properties, addressing shared infrastructure, tenant-specific energy allocation, and centralized or sub-metering strategies.

Community Solar Design Expertise

Our team offers specialized design support for community solar projects, delivering infrastructure layouts that align with collective energy goals, utility interconnection standards, and state-specific regulatory frameworks. We engineer systems optimized for shared ownership, flexible billing models, and long-term performance ideal for housing cooperatives, nonprofits, or community energy programs.

Utility-Scale Solar Solutions

Utility-scale solar PV installations, from a few megawatts to several hundred megawatts, are designed to deliver electricity directly into the electrical grid. Created by Independent Power Producers (IPPs), utilities, or public-private partnerships, these installations need close coordination among land acquisition, environmental permitting, and interconnection agreements.

Site Planning, Plot Layouts and Shading Analysis
System Sizing & Production Modelling
Electrical Design & Integration
MV (Medium Voltage) Electrical Connections
Slide 1 Slide 2 Slide 3 Slide 4 Slide 5 Slide 6 Slide 7 Slide 8 Slide 9 Slide 10 Slide 11 Slide 12
Single-Line & 3-Line Diagrams
HV (High Voltage) Electrical Connections (>36kV) System Design
Cable Size Design for MV & HV Systems
Trenching Layout Design
Lightning Protection System Design
PPC and SCADA Single Line Diagram
Mounting System and Foundation
Pile Coordination
Drainage System Design
Cut and Fill Volume Calculation
Slope Analysis for Array Tables
Soil Erosion and Control Plan

The Finulent Advantage

Technical Accuracy

AHJ & Utility Expertise

Permit packages aligned with AHJ, utility, and HOA standards for smoother approvals

Technical Accuracy

Code-Compliant Drawings

NEC-compliant designs with accurate SLDs, 3LDs, and structural layouts

Technical Accuracy

Scalable Delivery

From homes to 200MW sites, precise sizing and production simulations at every scale

Technical Accuracy

CAD-to-BOM Efficiency

CAD-aligned BOMs streamline procurement and cut errors

Technical Accuracy

Complete Engineering Packages

Drawings, spec sheets, signage, trenching plans, and SCADA-ready designs in one package

Technical Accuracy

Rapid Execution

Fast, coordinated, permit- and construction-ready packages delivered on time

Don’t let permitting delays slow down your solar installations
Frequently Asked Questions
How much time does it take for Finulent to process commercial solar permits?
At Finulent, it takes us usually 48 hours to design and 2–4 weeks to process commercial solar permits. We expedite AHJ approval and utility coordination, cutting through delays that typically hinder large-scale solar installations.
What steps does Finulent take to ensure AHJ permit requirements are fulfilled for B2B customers?
We have a proprietary database of more than 1,200 US jurisdictions. We prepare each submission with specific AHJ permit requirements in mind, such as fire access plans, zoning variances, and NEC-compliant documentation.
What kinds of solar permitting services does Finulent offer to commercial developers?
Finulent offers end-to-end solar permitting services that consist of structural load analysis, stamped SLDs, utility interconnection packages, and zoning board representation. We get your solar panel installation permit approved with minimal hassle.
What if our solar permit gets denied?
Our engineering staff provides complete resubmission assistance, including code-referenced reasons, redline modifications, and direct AHJ contact to achieve timely approval.
Do you offer solar permitting assistance for multi-site or portfolio-scale projects?
Yes, we have expertise in scalable solar permit services. Our batch processing system accommodates 10 to 100+ site portfolios, maintaining conformity across all paperwork while handling site-specific requirements.
Does Finulent support rooftop and ground-mount commercial permits?
Yes. We design permitting documents for rooftop, carport, and ground-mount systems, adhering to structural, seismic, and utility codes for all layouts.